设为首页
加入收藏
产品导航
 
 静态混合设备
· SV、SK等静态混合器
· 煤气静态混合器
· SQS汽水混合器
· 分配器
· 喷射混合器
· 蒸汽减温器
· 纸浆漂白专用设备
 → 浆氮静态混合器
· 浸没式汽水加热器
· 粉粒体静态混合器
 过滤设备
· 管道过滤器
 → 篮式过滤器
 → T型过滤器
 → Y型过滤器
 → 临时过滤器
· 精细过滤器
 → 袋式精细过滤器
 → 金属滤芯精细过滤器
 → 非金属滤芯精细过滤器
 → 陶瓷滤芯精细过滤器
· 空气过滤器
 → 自洁式空气过滤器
 → 送风空气过滤器
 → 吸风空气过滤器
· 磁性过滤器
 管道专用小型设备
· 采样器
 → 在线采样器
 → 密闭采样器
 → 罐下采样器
 → 取样冷却器
· 阻火器
· 视镜
· 安全淋浴洗眼器
· 蒸汽分水器
 混合机
· 高剪切混合乳化机
· 管线式混合乳化机
· 星形给料机
 管壳式换热器
· 管壳式换热器
您当前的位置>>首页>>产品介绍
 
Y型过滤器

产品概述

过滤器是除去液体中少量固体颗粒的小型设备,可保护压缩机、泵、仪表和其它设备的正常工作,当流体进入置有一定规格滤网的滤筒后,其杂质被阻挡,而清洁的滤液则由过滤器出口排出,当需要清洗时,只要将可拆卸的滤筒取出,处理后重新装入即可,因此,使用维护方便。本公司生产的过滤器具有结构紧凑、过滤能力大、压损小、适用范围广、维护方便、价格低廉等优点,其主要适用的物料有:化工、石油化工生产中弱腐蚀性物料,如:水、油品、氨、烃类等。化工生产中的腐蚀性物料,如:烧碱、纯碱、浓稀硫酸、碳酸、醛酸等。制冷中的低温物料,如:液甲烷、液氨、液氧和各种冷剂。食品、制药生产中有卫生要求的物料,如:啤酒、饮料、乳制品、糖浆等。


型号标注

本公司生产的管道过滤器,主要有:1、Y型过滤器  2、T型过滤器  3、篮式过滤器 4、临时过滤器  5、气体过滤器。    其型号标注如下:

1、Y型过滤器
(1)Y
型铸造螺纹连接式(PFYI-R)、承插焊接式(PFYI-SW)(DNl550PN5.0Mpa)
PFYI-R
PFYISW

型号
YI-R
型号
YI-SW
DN
D
L
H
N
DN
D
L
H
N
15
Rc1/2
100
74
Rc1/4
15
21.8/18.5
100
74
Rc1/4
20
Rc3/4
110
88
20
27.4/25.5
110
88
25
Rc1
130
103
25
34.2/32.5
130
103
32
Rc1 1/4
160
110
32
42.9/38.5
160
110
40
Rc1 1/2
180
132
40
48.8/45.6
180
132
50
Rc2
200
153
Rc3/8
50
61.3/58
200
153
Rc3/8


(2)Y型铸造同径法兰连接式(PFYI—F型)(DNl5—250,PN≤5.0MPa)

DN
L
H
N
15
140
120
Rc1/4
20
140
120
25
140
120
32
170
160
Rc3/8
40
270
160
50
270
180
65
290
190
80
360
250
Rc3/4
100
410
280
125
480
330
150
520
360
200
660
450
M20×1.5
250
870
670


(3)Y型铸造异径法兰连接式(PFYDI一F型)、异径对焊连接式(PYFDI—W型)(DN40×32-250×200,PN≤5.OMPa)

PFYDI-F,PYFDI-W型

DN1×DN2
YDI-F , L
YDI-W , L
H
N
40×32
250
210
160
Rc1/4
50×40
270
240
190
Rc3/8
80×50
320
310
250
80×65
360
310
260
Rc3/4
100×65
410
370
280
100×80
410
370
280
150×100
520
490
360
200×100
660
600
450
M20×1.5
200×150
660
600
450
250×200
870
800
670


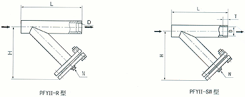
(4)Y型焊接锥管螺纹式(PFYII-R型)、承插焊式(PFYII-SW型)  (DN15—40,PN≤5.OMPa)
    
PFYII-R,PFYII-SW型

DN
L
N
H
YII-R型
YII-SW型
D
D
T
15
130
Rc3/8
169
Rc1/2
21.8/18.5
10
20
130
179
Rc3/4
27.4/25.5
13
25
140
182
Rc1
34.2/32.5
13
32
160
209
Rc11/4
42.9/38.5
13
40
170
217
Rc11/2
48.8/45.6
13


(5)Y型焊接法兰连接式(PFYII-F型)(DNl5—400、PN≤5.OMpa) PFYH-F型

DN
L
H
N
15
260
180
20
270
190
Rc1/4
25
270
190
32
280
230
Rc1/4
40
280
230
50
290
245
65
320
280
80
350
315
Rc3/8
100
425
360
125
480
390
150
540
460
Rc3/4
200
700
540
250
800
660
300
950
750
M20×1.5
350
1050
845
400
1250
920


(6)Y型带夹套焊制法兰连接式(PFYJII-F型)  (DN20~200,PN≤5.OMPa)  PFYJII—F型

DN
L
H
进出口a,b
蒸汽压力
N
20
370
235
G1/2
≤0.6MPa
Rc1/4
25
370
235
32
390
275
40
390
285
G3/4
50
420
295
Rc3/8
65
450
330
80
500
370
100
575
415
125
650
450
150
700
525
DN25
Rc3/4
200
890
610


(7)Y型异径法兰连接式(PFYDIII一F—A,PFYDII—F—B,PFYDII—F—C型)(PN≤10.OMPa)
(8)Y型焊制异径对焊接式(PFYDII—W—A,PFYDII-W—B,PFYDII—W—C型)(PN≤10.OMPa)

PFYDⅡ—F—A,8,C,PFYDⅡ—W——A,B,C型

DN1×DN2
H
D
YDII-F-A,B,C型L
YDII-W-A,B,C 型L
PN≤2.0
PN≤5.0
PN≤10.0
50×40
230
40
320
332
337
190
65×40
240
50
320
332
337
190
65×50
240
50
320
332
338
190
80×40
240
50
320
335
340
190
80×50
280
65
340
355
360
200
80×65
280
65
340
355
360
200
100×50
280
65
400
415
440
260
100×65
310
80
425
440
460
280
100×80
310
80
425
445
460
280
125×65
310
80
415
455
470
280
125×80
350
100
465
485
505
300
125×100
350
100
470
490
520
300
150×80
350
100
490
510
535
330
150×100
350
100
500
520
555
335
150×125
400
125
545
565
600
360
200×100
400
125
570
590
630
390
200×125
400
150
580
600
640
390
200×150
450
150
615
635
675
425
250×125
450
200
645
670
725
455
250×150
450
200
645
670
725
455
250×200
530
200
730
755
810
525
300×150
530
200
780
800
850
575
300×200
530
200
800
825
870
585
300×250
670
250
870
900
960
655
350×200
670
250
860
890
950
655
350×250
670
250
860
890
950
655
350×300
750
300
960
990
1040
720
400×250
750
300
1080
1110
1190
850
400×300
750
350
1100
1140
1190
860
400×350
850
350
1180
1220
1270
925

 
南通沃尔驰石化工程有限公司 地址:江苏启东市中央大道691号 篮式过滤器 | Y型过滤器 | T型过滤器临时过滤器 | 管道过滤器
电话:0513-83325673 传真:0513-83119878 网址:www.qdqtgm.com E-mail:13862978163@126.com